Наличие товара на складе и актуальность цен уточняйте у наших менеджеров
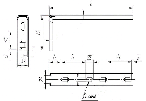
| Обозначение | Наименование | Размеры.мм | Масса, | Материал | |||||
|---|---|---|---|---|---|---|---|---|---|
| B | L | l1 | l2 | l3 | n | кг | |||
| ШРИБ-108-40.419 | Кронштейн | 105 | 275 | 40 | 80 | 80 | 6 | 0.41 | Ст3 |
| АДМ00.424 | Кронштейн | 95 | 125 | - | - | 55 | 4 | 0.232 | Ст3 |
| -1 | Кронштейн | 95 | 170 | - | - | 55 | 4 | 0.281 | Ст3 |
| -2 | Кронштейн | 95 | 240 | 50 | 55 | 55 | 6 | 0.406 | Ст3 |
